MC-52铁门磁 - 深圳燃气报警器|煤气报警器|红外报警器|火灾烟雾报警|意通顺报警器
产品分类
新闻资讯
 产品资料
MC-52铁门磁
  • 产品编号:20130613008
  • 所属类别:门磁系列
  • 产品颜色:
  • 产品状态:1000
 产品描述
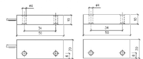
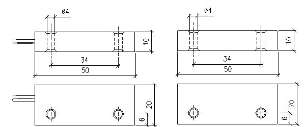
MC-52铁门磁 技术规格 描 述参 数外型尺寸:50*20*10 mm 外壳颜色:银灰色电镀 外壳材料:锌合金材质 开关形式:常闭型 \ 最大开关电压:100VDC 最大开关电流:0.5A 触点额定功率:10W 感应距离:25-35mm 引线:1007UL22AWG250mm 封装工艺:环氧胶填充 安装螺丝:∮3.5*25mm(4PCS) 包装工艺分:离包装,10套/胶袋 MC-52铁门磁